
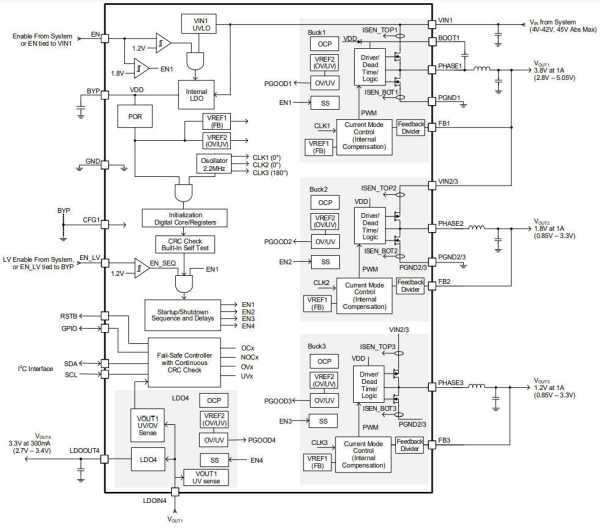
RAA271082 має первинну високу напругу синхронний понижуючий стабілізатор, два вторинні синхронні понижувальні регулятори низької напруги та LDO-регулятор низької напруги.
Він пропонує чотири монітори підвищеної та зниженої напруги, зв’язок I2C, конфігурований універсальний I/I/O-контакт і спеціальний індикатор виходу скидання/несправності.
“Щоб відповідати показникам ASIL B, RAA271082 містить другий незалежний еталон для моніторів перенапруги та низької напруги, вбудований самоперевірка під час увімкнення живлення, незалежний моніторинг перенапруги та низької напруги та безперервна перевірка помилок CRC у внутрішніх регістрах і зв’язку I2C, ” за даними компанії. Це “спрощує конструкцію джерела живлення для додатків автомобільних камер, які вимагають відповідності функціональній безпеці”.
Источник: electronicsweekly.com




