

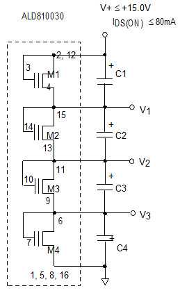
Як і інші мікросхеми балансу в асортименті компанії, вона не використовує оп. -ампер і опорна напруга. Натомість він має чотири прецизійно налаштовані MOSFET, які діють як шунтові регулятори, коли під’єднані затвор до стоку.
Називаються ALD810030, його MOSFET зазвичай мають такі характеристики V-I:
- < li>2,80 В 0,01 мкА
- 2,90 В 0,1 мкА
- 3,00 В 1 мкА
- 3,10 В 1 мкА
- 3,24 В 100 мкА
- 3,34 В 300 мкА
- 3,52 В 1 мА
“ МОП-транзистори можуть збалансувати від двох до чотирьох суперконденсаторів із дуже невеликою різницею напруги та не розсіювати електроенергію крім різниці струмів витоку, ” за даними компанії. Вони “пропонують простий і ефективний метод балансування та регулювання суперконденсаторів”.
Источник: electronicsweekly.com




